HNC Electric es una empresa global centrada en la automatización y el accionamiento, que ofrece a los clientes globales soluciones de control, visualización, accionamiento y sistema y otros productos y servicios relacionados, con el respaldo de su excelente tecnología eléctrica y electrónica.
La selección de resistencia a altas temperaturas, material magnético permanente de calidad de producto de alta energía, diseño óptimo de los parámetros electromagnéticos, puede mantener el motor en buenas condiciones de funcionamiento y una respuesta rápida en funcionamiento prolongado.
El servocontrolador síncrono de la serie SV-E3 es un servoaccionamiento de alto rendimiento que puede realizar un control preciso de posición/velocidad/par. Con módulo de potencia inteligente (IPM) y otro diseño de última tecnología, operación simple, alta confiabilidad, tamaño pequeño, fácil de instalar.
El servosistema SV-E3 adopta un codificador incremental o absoluto de 17 bits. El software completo de puesta en marcha ayuda al cliente a observar fácilmente la situación del servo.
Puede cubrir una amplia gama de servomotores, desde 50 W hasta 2 KW, con opciones de baja inercia, inercia media y alta inercia.
El servosistema de la serie SV-E3 se puede utilizar en robots, máquinas electrónicas, máquinas herramienta, máquinas de embalaje e impresión, equipos de automatización, etc.
| Especificaciones | |||||||||
|---|---|---|---|---|---|---|---|---|---|
| Modelo | SV-E3P005**A | SV-E3P010**A | SV-E3P020**A | SV-E3P040**A | SV-E3P075**A | SV-E3P100**A | SV-E3P150**A | SV-E3P200**A | |
| Motor | 50W | 100W | 200W | 400W | 750W | 1000W | 1500W | 2000W | |
| AnxAlxP (mm) | 40x160x130 | 48x160x130 | 61x160x175 | ||||||
| Peso (Kg) | 0.7 | 0.8 | 1.6 | ||||||
| Entrada | Principal | 1 Fase 200~240V±10% 50/60Hz | 3 Fases 200~240V±10% | ||||||
| Alim. | Nota 1: Solo se conectan 2 fases cuando se utiliza una fuente de alimentación trifásica | 50/60 Hz | |||||||
| Control | DC24V±10% | ||||||||
| Alim. | tipo 140mA | tipo 220mA | tipo 240mA | ||||||
| Modo control | Inversor trifásico PWM de onda sinusoidal | ||||||||
| Codificador | Codificador incremental/absoluto serie de 17 bits | ||||||||
| DI | 8 puntos (aislamiento de entrada de optoacoplador de la serie DC24V) interruptor en modo de control | ||||||||
| DO | 8 puntos (aislamiento de salida de optoacoplador de la serie DC24V) interruptor en modo de control | ||||||||
| Pulsos | Entrada | diferencial EIA-422 | |||||||
| Colector abierto (tipo OC) | |||||||||
| Entrada | A/B/Z EIA-422diferencial | ||||||||
| La salida de colector abierto solo está disponible para la fase Z | |||||||||
| Comunicación | USB: comunicación con PC | ||||||||
| EIA-485: (compatible con múltiples estaciones) | |||||||||
| Estado controlador | Pantalla normal/anormal a través de LED (ESTADO) | ||||||||
| Indicador encendido | Encendido normal: luz verde encendida / apagado: luz apagada / encendido anormal: luz roja parpadeando | ||||||||
| Regeneración | Admite resistencia de freno externa | ||||||||
| Freno dinámico | Frenado de cortocircuito mediante software | ||||||||
| Modo control | Control de posición, control de velocidad, control de par | ||||||||
| Especificaciones | |||||||||
|---|---|---|---|---|---|---|---|---|---|
| Modelo | SV-E3P005**B | SV-E3P010**B | SV-E3P020**B | SV-E3P040**B | SV-E3P075**B | ||||
| Motor | 50W | 100W | 200W | 400W | 750W | ||||
| AnxAlxP (mm) | 40x160x130 | 48x160x130 | |||||||
| Peso (Kg) | 0.7 | 0.8 | |||||||
| Entrada | Principal | 1 Fase 200~240V±10% 50/60Hz | |||||||
| Alim. | Nota 1: Solo se conectan 2 fases cuando se utiliza una fuente de alimentación trifásica | ||||||||
| Control | DC24V±10% | ||||||||
| Alim. | tipo 140mA | tipo 220mA | |||||||
| Modo control | Inversor trifásico PWM de onda sinusoidal | ||||||||
| Codificador | Codificador incremental/absoluto serie de 17 bits | ||||||||
| DI | 2 puntos Entrada aislada | ||||||||
| DO | 5 puntos Salida aislada | ||||||||
| Pulsos | Entrada | Diferencial EIA-422 | |||||||
| Colector abierto (tipo OC) | |||||||||
| Entrada | A/B/Z EIA-422diferencial | ||||||||
| La salida de colector abierto solo está disponible para la fase Z | |||||||||
| Comunicación | USB: comunicación con PC | ||||||||
| EIA-485: (compatible con múltiples estaciones) | |||||||||
| Estado controlador | Pantalla normal/anormal a través de LED (ESTADO) | ||||||||
| Indicador encendido | Encendido normal: luz verde encendida / apagado: luz apagada / encendido anormal: luz roja parpadeando | ||||||||
| Regeneración | Admite resistencia de freno externa | ||||||||
| Freno dinámico | Frenado de cortocircuito mediante software | ||||||||
| Modo control | Control de posición | ||||||||
Nota 1) Cuando utilice dos fases de una fuente de alimentación trifásica, confirme las especificaciones de la fuente de alimentación de acuerdo con la situación específica de cada país.
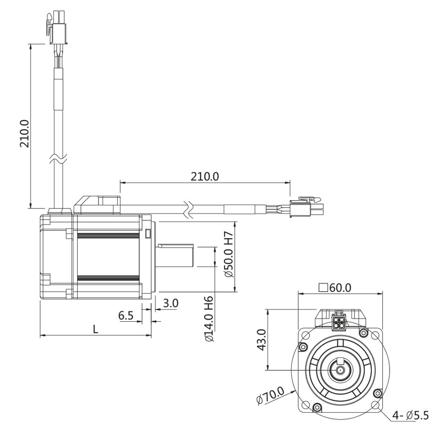
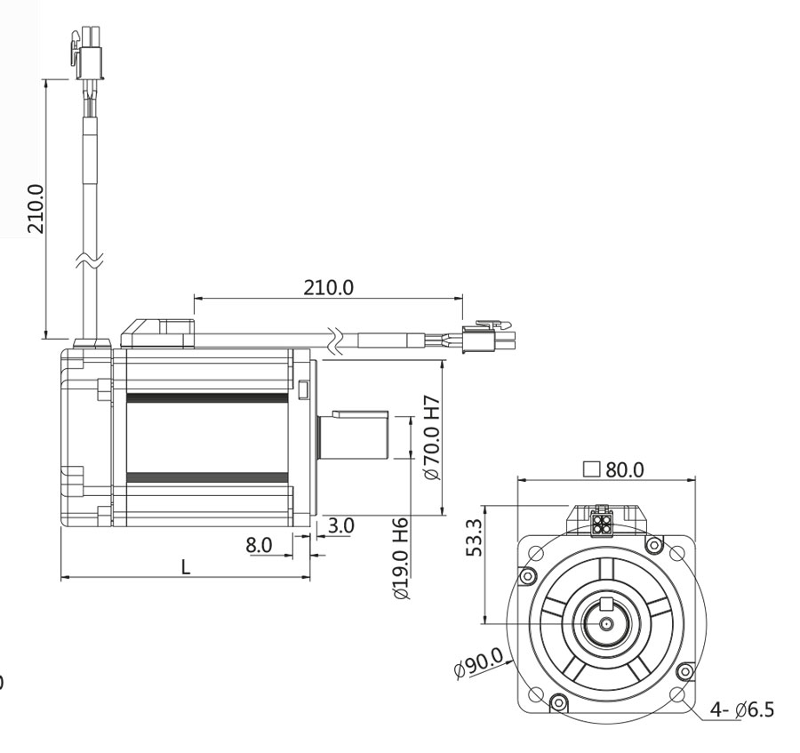
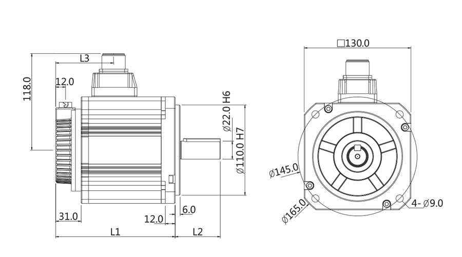
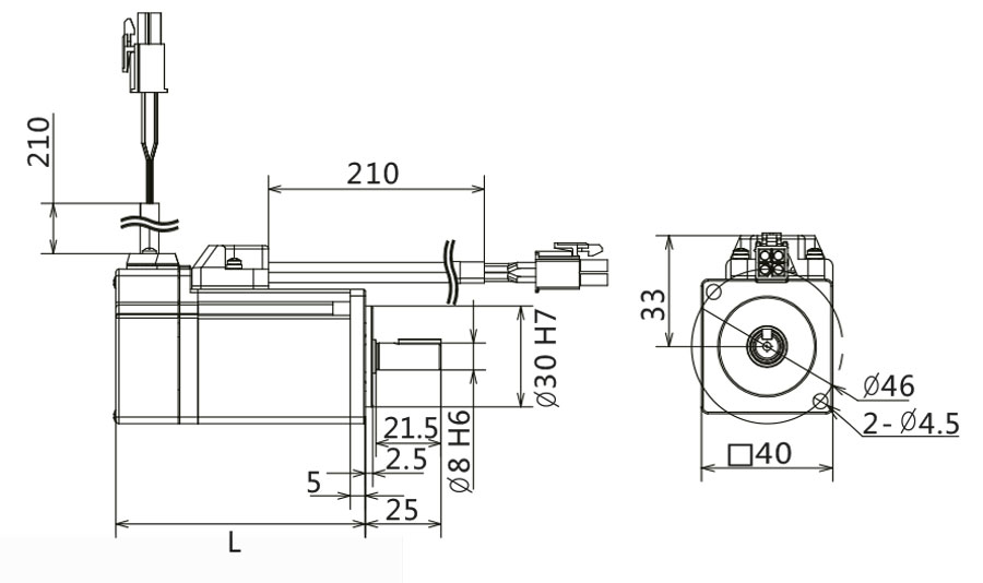
Los servomotores de la serie HSM-E tienen varias series 50W, 100W, 200W, 400W, 750W, 1000W; 1500W y 2000W; tres series de velocidades nominales 6000 rpm, 4500 rpm y 3000 rpm.
La selección de material magnético permanente de alta resistencia a la temperatura, calidad del producto de alta energía, diseño óptimo de los parámetros electromagnéticos, puede mantener el motor en buenas condiciones de funcionamiento y una respuesta rápida en funcionamiento prolongado.
Protección IP65, el motor se aplica al entorno industrial en particular.
| Artículo | Unidad | 50W inercia media | 100W inercia media | 200W inercia baja | 200W inercia alta | |
|---|---|---|---|---|---|---|
| Modelo | / | SE40-2-002M30(B) | SE40-2-003M30(B) | SE60-2-006L30(B) | SE60-2-006H30(B) | |
| Tamaño brida montaje | mm | 40 | 60 | |||
| Peso | Sin freno | kg | 0.4 | 0.5 | 0.9 | 1 |
| Con freno | 0.6 | 0.8 | 1.4 | 1.5 | ||
| Tensión nominal | V | 200∼240 VCA | ||||
| Alimentación nominal | W | 50 | 100 | 200 | ||
| Par nominal | N·m | 0.16 | 0.32 | 0.64 | 0.64 | |
| Par máximo momentáneo | N·m | 0.56 | 1.12 | 1.9 | 1.9 | |
| Corriente nominal | Arms | 0.68 | 0.95 | 1.72 | 1.72 | |
| Corriente máxima momentánea | Arms | 2.4 | 3.2 | 5.15 | 5.15 | |
| Velocidad nominal | rpm | 3000 | ||||
| Máx. velocidad | rpm | 6000 | ||||
| Constante de par | N·m/A | 0.25 | 0.36 | 0.41 | 0.41 | |
| Constante tensión inducción por fase | mV/(r/min) | 8.8 | 12.5 | 14.5 | 14.5 | |
| Relación alimentación nominal |
Sin freno | KW/s | 5.6 | 13.6 | 23.8 | 9.3 |
| Con freno | 4.7 | 12.3 | 19.5 | 8.6 | ||
| Constante tiempo mecánica |
Sin freno | ms | 2.6 | 1.69 | 1.12 | 2.87 |
| Con freno | 3.06 | 1.87 | 1.37 | 3.12 | ||
| Constante tiempo eléctrica | ms | 0.64 | 0.76 | 1.99 | 1.99 | |
| Inercia rotor | Sin freno | X10-4kg·m² | 0.045 | 0.074 | 0.17 | 0.43 |
| Con freno | 0.053 | 0.082 | 0.21 | 0.47 | ||
| Especificaciones del freno |
Función | - | Mantener detenido | No detener motor | Mantener detenido | No detener motor |
| Voltaje nominal | V | 24VDC±10% | ||||
| Corriente nominal | A | 0.25 | 0.25 | 0.3 | 0.3 | |
| Par de fricción estática | N·m | Superior a 0.16 | Superior a 0.30 | Superior a 0.16 | Superior a 0.30 | |
| Tiempo de cierre | ms | Debajo de 35 ms (a 24 VDC) | Debajo de 50 ms (a 24 VDC) | |||
| Tiempo de liberación | ms | Debajo de 20 ms (a 24 VDC) | Debajo de 15 ms (a 24 VDC) | |||
| Voltaje de liberación | V | Superior a 1VDC | ||||
| Artículo | Unidad | 400W inercia baja | 400W inercia alta | 750W inercia baja | 750W inercia alta | |
|---|---|---|---|---|---|---|
| Modelo | / | SE60-2-013L30(B) | SE60-2-013H30(B) | SE80-2-024L30(B) | SE80-2-024H30(B) | |
| Tamaño brida montaje | mm | 60 | 80 | |||
| Peso | Sin freno | kg | 1.3 | 1.5 | 2.5 | 2.7 |
| Con freno | 1.8 | 2 | 3.3 | 3.5 | ||
| Tensión nominal | V | 200∼240 VCA | ||||
| Alimentación nominal | W | 400 | 750 | |||
| Par nominal | N·m | 1.27 | 2.39 | |||
| Par máximo momentáneo | N·m | 3.82 | 7.1 | |||
| Corriente nominal | Arms | 2.7 | 4.3 | |||
| Corriente máxima momentánea | Arms | 8 | 12.8 | |||
| Velocidad nominal | rpm | 3000 | ||||
| Máx. velocidad | rpm | 6000 | 4500 | |||
| Constante de par | N·m/A | 0.49 | 0.6 | |||
| Constante tensión inducción por fase | mV/(r/min) | 17.4 | 21.3 | |||
| Relación alimentación nominal |
Sin freno | KW/s | 58.7 | 23.5 | 64.1 | 35.6 |
| Con freno | 51.9 | 22.4 | 52.8 | 32.1 | ||
| Constante tiempo mecánica |
Sin freno | ms | 0.67 | 1.66 | 0.53 | 0.94 |
| Con freno | 0.75 | 1.75 | 0.64 | 1.06 | ||
| Constante tiempo eléctrica | ms | 2.47 | 4.3 | |||
| Inercia rotor | Sin freno | X10-4kg·m² | 0.28 | 0.69 | 0.89 | 1.59 |
| Con freno | 0.31 | 0.72 | 1.08 | 1.78 | ||
| Especificaciones del freno |
Función | - | Mantener detenido | No detener motor | Mantener detenido | No detener motor |
| Voltaje nominal | V | 24VDC±10% | ||||
| Corriente nominal | A | 1 | ||||
| Par de fricción estática | N·m | Superior a 1.26 | Superior a 2.39 | |||
| Tiempo de cierre | ms | Debajo de 50 ms (a 24 VDC) | Debajo de 70 ms (a 24 VDC) | |||
| Tiempo de liberación | ms | Debajo de 15 ms (a 24 VDC) | Debajo de 20 ms (a 24 VDC) | |||
| Voltaje de liberación | V | Superior a 1VDC | ||||
| Artículo | Unidad | 1000W inercia media | 1000W inercia alta | 1500W inercia baja | 1500W inercia alta | 2000W inercia media | |
|---|---|---|---|---|---|---|---|
| Modelo | / | SE130-2-048M20(B) | SE130-2-048H20(B) | SE130-2-072M20(B) | SE130-2-072H20(B) | SE130-2-095M20(B) | |
| Tamaño brida montaje | mm | 130 | |||||
| Peso | Sin freno | kg | 5.6 | 7.6 | 7 | 9 | 8.4 |
| Con freno | 7 | 9 | 8.4 | 10.4 | 9.8 | ||
| Tensión nominal | V | 200∼240 VCA | |||||
| Alimentación nominal | W | 1000 | 1500 | 2000 | |||
| Par nominal | N·m | 4.76 | 7.15 | 9.45 | |||
| Par máximo momentáneo | N·m | 14.3 | 21.5 | 28.6 | |||
| Corriente nominal | Arms | 5.6 | 9.9 | 12.2 | |||
| Corriente máxima momentánea | Arms | 15.9 | 27.3 | 35.7 | |||
| Velocidad nominal | rpm | 2000 | |||||
| Máx. velocidad | rpm | 3000 | |||||
| Constante de par | N·m/A | 0.88 | 0.81 | 0.85 | |||
| Constante tensión inducción por fase | mV/(r/min) | 30.9 | 28.4 | 29.6 | |||
| Relación alimentación nominal |
Sin freno | KW/s | 50 | 9.4 | 76.9 | 13.7 | 104.9 |
| Con freno | 36.5 | 8.6 | 61.5 | 13.2 | 86.9 | ||
| Constante tiempo mecánica |
Sin freno | ms | 0.76 | 4.21 | 0.6 | 3.32 | 0.58 |
| Con freno | 1.05 | 4.43 | 0.75 | 3.48 | 0.71 | ||
| Constante tiempo eléctrica | ms | 2.47 | 12.2 | ||||
| Inercia rotor | Sin freno | X10-4kg·m² | 4.57 | 24.9 | 4.56 | 37.1 | 8.7 |
| Con freno | 0.31 | 0.72 | 8.38 | 38.69 | 10.35 | ||
| Especificaciones del freno |
Función | - | Mantener detenido |
No detener motor |
Mantener detenido |
No detener motor |
Mantener detenido (no para detener) |
| Voltaje nominal | V | 24VDC±10% | |||||
| Corriente nominal | A | 1 | |||||
| Par fricción estática | N·m | Superior a 9.55 | |||||
| Tiempo de cierre | ms | Debajo de 120 ms (a 24 VDC) | |||||
| Tiempo de liberación | ms | Debajo de 30 ms (a 24 VDC) | |||||
| Voltaje de liberación | V | Superior a 1VDC | |||||