HNC Electric es una empresa global centrada en la automatización y el accionamiento, que ofrece a los clientes globales soluciones de control, visualización, accionamiento y sistema y otros productos y servicios relacionados, con el respaldo de su excelente tecnología eléctrica y electrónica.
Los controladores lógicos programables de la serie HC con características de alta confiabilidad, alto rendimiento y alta velocidad se han aplicado en muchas industrias en todo el mundo. HNC Electric trabaja en estrecha colaboración con los clientes para diseñar productos que sean la mejor opción para sus aplicaciones. Los PLC de la serie HC, fáciles de operar, rápidos y confiables, procesan sus aplicaciones de manera más efectiva y precisa.
| Modelo | Especificaciones | ||||||
|---|---|---|---|---|---|---|---|
| 24 VCC | DI | DO | AI | OA | Puerto COM | Alimentación | Exp. |
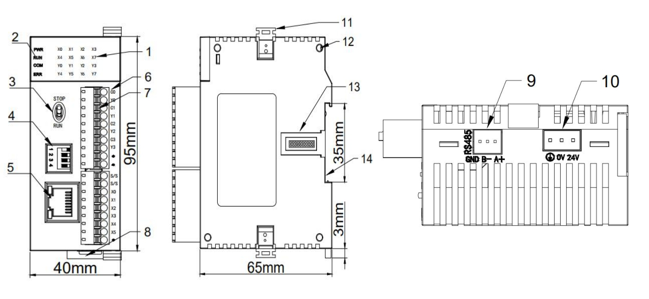
| HCS-6X4Y-R | 6 | 4 relés | TCP+485 | <4.8W | 3 | ||
| HCS-6X4Y-TN | 6 | 4 transistores NPN | TCP+485 | <4.8W | 3 | ||
| HCS-6X4Y-TP | 6 | 4 transistores PNP | TCP+485 | <4.8W | 3 | ||
| HCS-8X8Y-R 8 | 8 | 8 relés | TCP+485 | <4.8W | 3 | ||
| HCS-8X8Y-TN | 8 | 8 transistores NPN | TCP+485 | <4.8W | 3 | ||
| HCS-8X8Y-TP | 8 | HCS-8X8Y-TP | TCP+485 | <4.8W | 3 | ||
| HCS-4X4Y4A-R | 4 | 4 relés | 2 | 2 | TCP+485 | <3.6W | 3 |
| HCS-4X4Y4A-TN | 4 | 4 transistores NPN | 2 | 2 | TCP+485 | <3.6W | 3 |
| HCS-4X4Y4A-TP | 4 | 4 transistores PNP | 2 | 2 | TCP+485 | <3.6W | 3 |
| Modelo | Especificaciones | ||||||||
|---|---|---|---|---|---|---|---|---|---|
| 24 VCC | DI | DO | AI | OA | Pulso de entrada | Pulso de salida | Puerto COM | Alimentación | Exp. |
| HCG-8X8Y-R | 8 | 8 relés | 2 canales fase A/B 4 puntos 200K |
2 canales fase A/B 4 puntos 200K |
TCP+485 | <4.8W | 15 | ||
| HCG-8X8Y-TN | 8 | 8 transistores NPN | 2 canales fase A/B 4 puntos 200K |
2 canales fase A/B 4 puntos 200K |
TCP+485 | <4.8W | 15 | ||
| HCG-8X8Y-TP | 8 | 8 transistores PNP | 2 canales fase A/B 4 puntos 200K |
2 canales fase A/B 4 puntos 200K |
TCP+485 | <4.8W | 15 | ||
| HCG-4X4Y4A-R | 4 | 4 relés | 2 | 2 | Fase A/B de 1 canal 2 puntos 200K | Fase A/B de 1 canal 2 puntos 200K | TCP+485 | <3,6 W | 15 |
| HCG-4X4Y4A-TN | 4 | NPN de 4 transistores | 2 | 2 | Fase A/B de 1 canal 2 puntos 200K | Fase A/B de 1 canal 2 puntos 200K | TCP+485 | <3,6 W | 15 |
| HCG-4X4Y4A-TP | 4 | 4 transistores PNP | 2 | 2 | Fase A/B de 1 canal 2 puntos 200K | Fase A/B de 1 canal 2 puntos 200K | TCP+485 | <3,6 W | 15 |
| Modelo | Especificaciones | ||||||
|---|---|---|---|---|---|---|---|
| 24 VCC | DI | DO | Pulso de Entrada | Pulso de Salida | Puerto COM | Alimentación | Exp. |
| HCM-8X8Y-R | 8 | 8 relés | Fase A/B de 4 canales 8 puntos 200K | TCP+485 | <4.8W | 15 | |
| HCM-8X8Y-TN | 8 | 8 transistores NPN | Fase A/B de 4 canales 8 puntos 200K | TCP+485 | <4.8W | 15 | |
| HCM-8X8Y-TP | 8 | 8 transistores PNP | Fase A/B de 4 canales 8 puntos 200K | TCP+485 | <4.8W | 15 | |
| Modelo | Especificaciones | Dimensiones | |||
|---|---|---|---|---|---|
| 24 VCC | AI | AO | Alimentación | Puerto COM | AnXAlXP(mm) |
| AE-8X | 8 | < 2.4W | ![]() 25×95×65 |
||
| AE-8Y-R | 8 relés | < 4.8W | |||
| AE-8Y-TN | 8 transistores NPN | < 4.8W | |||
| AE-8Y-TP | 8 transistores PNP | < 4.8W | |||
| AE-4X4Y-R | 4 | 4 relés | < 2.4W | ||
| AE-4X4Y-TN | 4 | 4 transistores NPN | < 2.4W | ||
| AE-4X4Y-TP | 4 | 4 transistores PNP | < 2.4W | ||
| AE-16X | 16 | < 2.4W | ![]() 25×95×65 |
||
| AE-16Y-R | 16 relés | < 8.4W | |||
| AE-16Y-TN | 16 transistores NPN | < 8.4W | |||
| AE-16Y-TP | 16 transistores PNP | < 8.4W | |||
| AE-8X8Y-R | 8 | 8 relés | < 4.8W | ||
| AE-8X8Y-TN | 8 | 8 transistores NPN | < 4.8W | ||
| AE-8X8Y-TP | 8 | 8 transistores PNP | < 4.8W | ||
| Modelo | Especificaciones | Dimensiones | ||||
|---|---|---|---|---|---|---|
| 24 VCC | AI | AO | Precisión de conversión | Alimentación | Puerto COM | AnXAlXP(mm) |
| AE-4AD | 4 | 12bit | < 2.4W | ![]() 25×95×65 |
||
| AE-4DA | 4 | 12bit | < 2.4W | |||
| AE-2AD2DA | 2 | 2 | 12bit | < 2.4W | ||
| AE-8AD | 8 | 12bit | < 2.4W | |||
| AE-8DA | 8 | 12bit | < 3.6W | |||
| AE-4AD4DA | 4 | 4 | 12bit | < 3.6W | ||
| Modelo | Especificaciones | Dimensiones | |||
|---|---|---|---|---|---|
| 24 VCC | Tipo de sensor | Precisión de conversión | Alimentación | Puerto COM | AnXAlXP(mm) |
| AE-4TC | 4 termopar | 16bit | < 2.4W | ![]() 25×95×65 |
|
| AE-4RC | 4 resistencias térmica | 16bit | < 2.4W | ||
| AE-8TC | 8 termopar | 16bit | < 2.4W | ||
| AE-4DT | Sensor digital de temperatura y humedad de 4 canales | 9-12bit | < 2.4W | ||
| Modelo | Especificaciones | Alimentación | Dimensiones AnXAlXP(mm) |
|---|---|---|---|
| AE-1C | Con isolution, 1 puerto de comunicación RS232/RS485. Admite Modbus RTU/ASCII, protocolo de comunicación Freedom, PLCbus, 1200∼115200bpS y 8,N,1 |
< 2.4W | ![]() 25×95×65 |
| Modelo ethernet | Modelo | Especificaciones | Dimensiones | ||
|---|---|---|---|---|---|
| 24 VCC | 24 VCC | DI | DO | Comunicación | AnXAlXP(mm) |
| TE-16X | 16 | RS485, admite función remota | ![]() 70×95×82 |
||
| TE-16Y-R | 16 relés | RS485, admite función remota | |||
| TE-16Y-TN | 16 transistores NPN | RS485, admite función remota | |||
| TE-16Y-TP | 16 transistores PNP | RS485, admite función remota | |||
| TE-8X8Y-R | 8 | 8 relés | RS485, admite función remota | ||
| TE-8X8Y-TN | 8 | 8 transistores NPN | RS485, admite función remota | ||
| TE-8X8Y-TP | 8 | 8 transistores PNP | RS485, admite función remota | ||
| TE-24Xe | TE-24X | 24 | RS485, admite función remota | ![]() 93×95×82 |
|
| TE-12X12Y-Re | TE-12X12Y-R | 12 | 12 relés | RS485, admite función remota | |
| TE-12X12Y-TNe | TE-12X12Y-TN | 12 | 12 transistores NPN | RS485, admite función remota | |
| TE-12X12Y-TPe | TE-12X12Y-TP | 12 | 12 transistores PNP | RS485, admite función remota | |
| TE-40Xe | TE-40X | 40 | RS485, admite función remota | ![]() 131×95×82 |
|
| TE-36Y-Re | TE-36Y-R | 36 relés | RS485, admite función remota | ||
| TE-36Y-TNe | TE-36Y-TN | 36 transistores NPN | RS485, admite función remota | ||
| TE-36Y-TPe | TE-36Y-TP | 36 transistores PNP | RS485, admite función remota | ||
| TE-24Xe | AE-8X8Y-TP | 8 | 8 transistores PNP | RS485, admite función remota | |
| TE-20X20Y-Re | TE-20X20Y-R | 20 | 20 relés | RS485, admite función remota | |
| TE-20X20Y-TNe | TE-20X20Y-TN | 20 | 20 transistores NPN | RS485, admite función remota | |
| TE-20X20Y-TPe | TE-20X20Y-TP | 20 | 20 transistores PNP | RS485, admite función remota | |
| TE-32X32Y-Re | TE-32X32Y-R | 32 | 32 relés | RS485, admite función remota | ![]() 177×95×82 |
| TE-32X32Y-TNe | TE-32X32Y-TN | 32 | 32 transistores NPN | RS485, admite función remota | |
| TE-32X32Y-TPe | TE-32X32Y-TP | 32 | 32 transistores PNP | RS485, admite función remota | |
| Modelo ethernet | Modelo | Especificaciones | Dimensiones | |||
|---|---|---|---|---|---|---|
| 24 VCC | 24 VCC | AI | AO | Presición de conversión | Comunicación | AnXAlXP(mm) |
| TE-4AD | 4 | 12 bits | RS485, admite función remota | ![]() 70×95×82 |
||
| TE-4DA | 4 | 12 bits | RS485, admite función remota | |||
| TE-2AD2DA | 2 | 2 | 12 bits | RS485, admite función remota | ||
| TE-8ADe | TE-8AD | 8 | 12 bits | RS485, admite función remota | ![]() 93×95×82 |
|
| TE-8DAe | TE-8DA | 8 | 12 bits | RS485, admite función remota | ||
| TE-4AD4DAe | TE-4AD4DA | 4 | 4 | 12 bits | RS485, admite función remota | |
| Modelo ethernet | Modelo | Especificaciones | Dimensiones | ||
|---|---|---|---|---|---|
| 24 VCC | 24 VCC | Tipo de sensor | Presición de conversión | Comunicación | AnXAlXP(mm) |
| TE-32DT | 32 canales DS18B20, sensor de temperatura RW1820, sensor Ds1990 | 9-12 bits | RS485, admite función remota | ![]() 30×95×82 |
|
| TE-4TC | 4 termopar | 16 bits | RS485, admite función remota | ![]() 70×95×82 |
|
| TE-4RC | 4 resistencias térmicas | 16 bits | RS485, admite función remota | ||
| TE-8TC | 8 termopar | 16 bits | RS485, admite función remota | ![]() 93×95×82 |
|
| TE-8RC-e | TE-8RC | 8 resistencias térmicas | 16 bits | RS485, admite función remota | |
| Modelo 24 VCC | Especificaciones | Presición de conversión | Comunicación | Dimensiones AnXAlXP(mm) |
|---|---|---|---|---|
| TE-1WG | 1 canal de pesaje | 24 bits | RS485, admite función remota | ![]() 30×95×82 |
Nota: Los módulos remotos no admiten la conexión directa con la tarjeta PLC de la serie HC; Puede comunicarse a través de RS485 o puerto Ethernet