HNC Electric es una empresa global centrada en la automatización y el accionamiento, que ofrece a los clientes globales soluciones de control, visualización, accionamiento y sistema y otros productos y servicios relacionados, con el respaldo de su excelente tecnología eléctrica y electrónica.
La serie HV610 es un inversor de control vectorial de corriente general integrado con un alto nivel de rendimiento y caracteríísticas; con un rendimiento de accionamiento y un control de funcionalidad líderes en la industria, utiliza un algoritmo de control vectorial de corriente único que puede impulsar de manera eficiente el motor de inducción para lograr una alta precisión, un alto par y un control de alto rendimiento.
| Modelo | Tensión | Capacidad de suministro de energía | Corriente entrada | Corriente salida | Motor adaptativo | |
|---|---|---|---|---|---|---|
| (KVA) | (A) | (A) | (KW) | (HP) | ||
| HV610-011G2 | trifásico 220V | 30 | 46.5 | 45 | 11 | 15 |
| HV610-160G2 | trifásico 220V | 500 | 665 | 650 | 160 | 220 |
| HV610-160G3 | trifásico 380-440VAC | 21 | 35.0 | 32.0 | 15 | 20 |
| Módulo | Especificaciones | ||
|---|---|---|---|
| Funciones básicas | Máxima Frecuencia | Control vectorial: 0 ∼ 500 Hz Control V/F: 0:3200Hz | |
| Frecuencia portadora | 0.5 kHz∼16 kHz La frecuencia portadora se puede ajustar automáticamente según las características de la carga. |
||
| Resolución de frecuencia de entrada | Configuración digital: 0.01 Hz Configuración analógica: frecuencia más alta x 0.025 % |
||
| Modo de control | 1: Control vectorial de bucle abierto 2: Control vectorial de bucle cerrado 3: Control V/F |
||
| Par de arranque | Tipo G: 0,5 Hz / 150 % Tipo P: 0,5 Hz / 100 % |
||
| Rango de control de velocidad | 1:100 | ||
| Precisión de estabilización de velocidad | ±0,5 % | ||
| Precisión de control de par | ±5 % | ||
| Capacidad de sobrecarga | Máquina modelo G: 150 % corriente nominal 60 s; 180 % corriente nominal 3 s. |
||
| Aumento de par | Aumento automático del par; El par manual se incrementa entre un 0,1 % y un 30,0 % |
||
| Curva V/F | Tres modos: lineal; tipo multipunto; curva V/F de potencia N (potencia 1,2, potencia 1,4, potencia 1,6, potencia 1,8, potencia 2) | ||
| Separación V/F | Dos métodos: separación completa y media separación | ||
| Curva de aceleración y desaceleración | Modo de aceleración y desaceleración en línea recta o curva S. | ||
| Cuatro tipos de tiempos de aceleración y desaceleración | |||
| El rango de tiempo de aceleración y desaceleración es de 0,0 a 6500,0 s. | |||
| Freno de CC | Frecuencia de frenado de CC: 0,00 Hz ∼ frecuencia máxima | ||
| Tiempo de frenado: 0,0 s ∼ 36,0 s | |||
| Valor de corriente de acción de frenado: 0,0 % - 100,0 % | |||
| Avance lento | Rango de frecuencia de avance lento: 0,00 Hz ∼ 50,00 Hz. Tiempo de aceleración y desaceleración de avance lento: 0,0 s ∼ 6500,0 s. |
||
| Operación de velocidad multietapa con PLC simple | Operación de hasta 16 velocidades a través de PLC integrado o terminal de control | ||
| PID integrado | Sistema de control de bucle cerrado capaz de realizar cómodamente el control de procesos | ||
| Regulación automática de voltaje (AVR) | Cuando cambia el voltaje de la red, el voltaje de salida se puede mantener constante automáticamente. | ||
| Control de sobretensión y tasa de pérdida excesiva | Limita automáticamente la corriente y el voltaje durante el funcionamiento para evitar disparos frecuentes por sobrecorriente y sobretensión. | ||
| Función de limitación rápida de corriente | Minimiza los fallos por sobrecorriente y protege el funcionamiento normal del inversor de frecuencia | ||
| Limitación y control de par | La función de "excavadora" limita automáticamente el par durante el funcionamiento para evitar disparos frecuentes por sobrecorriente; el modo de vector de bucle abierto puede realizar el control de par | ||
| Rendimiento individualizado | Rendimiento excepcional | Uso de tecnología de control vectorial de corriente de alto rendimiento para lograr el control de motores asíncronos | |
| Detención inmediata | Cuando se produce un fallo de alimentación instantáneo, la energía de retroalimentación de carga compensa la caída de tensión y el inversor de frecuencia seguirá funcionando durante un breve período de tiempo. | ||
| Limitación rápida de corriente | Evita fallos frecuentes de sobrecorriente del inversor de frecuencia | ||
| Control de tiempo | Función de control de tiempo: establezca el rango de tiempo de 0,0 min a 6500,0 min | ||
| Cambio entre dos motores | Dos conjuntos de parámetros de motor pueden lograr el control de conmutación de dos motores | ||
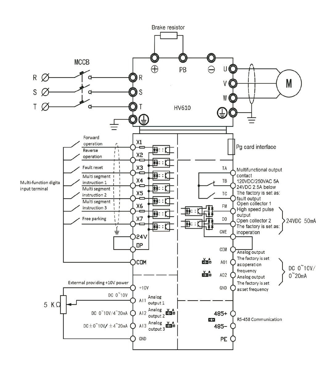
| Compatibilidad con bus | Compatible con una variedad de buses de campo: RS-485, PROFIBUS | ||
| Ejecución | Fuente de comando | Configuración del panel de operación, configuración del terminal de control, configuración del puerto de comunicación serial. Se puede cambiar de varias maneras | |
| Fuente de frecuencia | Múltiples fuentes de frecuencia: configuración digital, configuración de voltaje analógico, configuración de corriente analógica, configuración de pulso, configuración de puerto serial. Se puede cambiar de varias maneras | ||
| Fuente de frecuencia auxiliar | Varias fuentes de frecuencia auxiliar. Puede realizar de manera flexible el ajuste fino de frecuencia auxiliar y la síntesis de frecuencia | ||
| Terminal de entrada | 7 terminales de entrada digital estándar, de los cuales 1 admite entrada de pulso de alta velocidad de hasta 100 khz; Tres terminales de entrada analógica, una que admite solo una entrada de voltaje de 0 ∼ 10 V, otra que admite una entrada de voltaje de 0 ∼ 10 V o una entrada de corriente de 4 ∼ 20 mA, 1 terminal de entrada analógica, que admite una entrada de voltaje de - 10 ∼ 10 V |
||
| Terminales de salida | 1 terminal de salida de pulso de alta velocidad (tipo colector abierto opcional), que admite una salida de señal de onda cuadrada de 0 ∼ 100 kHz 1 terminal de salida digital 1 terminal de salida de relé 2 terminales de salida analógica para admitir una salida de corriente de 0 ∼ 20 mA o una salida de voltaje de 0 ∼ 10 V |
||
| Entorno | Lugar de uso | Sin polvo, polvo metálico, gases corrosivos, gases inflamables, niebla de aceite, niebla salina, vapor de agua, goteo de luz solar directa; interior libre | |
| Altitud | Por debajo de 1000 metros | ||
| Temperatura ambiente | -10°C ∼ 40°C | ||
| Humedad | Menos del 90 % de humedad relativa sin condensación | ||
| Vibración | Menos de 0,5 g | ||
| Temperatura de almacenamiento | -25°C ∼ 65°C | ||
| Grado de protección | IP20 | ||
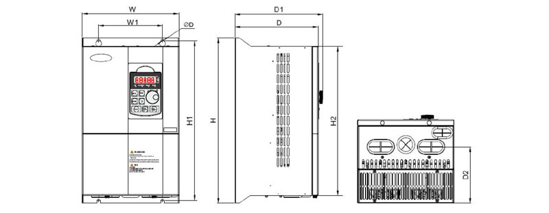
| Modelo | W | H | D | W1 | H1 | D1 | H2 | D2 | Perforación de montaje (d) |
|---|---|---|---|---|---|---|---|---|---|
| HV610-011G2 | 227 | 388 | 196 | 150 | 375 | 206 | 350 | 133 | 7 |
| HV610-015G2 | 780 | 1290 | 400 | 600 | 1257 | 410 | 1203 | 316 | 13 |
| HV610-160G3 | 500 | 788 | 350 | 270 | 762 | 357 | 728 | 266 | 13 |